
INTRODUCTION
Thank you for your purchase of the Rolls HM58 Headphone Monitor Remote. This
unit, along with either the HM60 Headphone Monitor System or HM57 Head-
phone Monitor Interface, allows you to mix four mono signals with two stereo
signals for your own personal monitoring needs. It includes equalization and AGC
compression.
Please read the following manual carefully to get the best results from your HM58.
TABLE OF CONTENTS
Introduction 1
Table of Contents 1
Inspection 1
Specifications 1
Description
Back Panel 2
Front Panel 2
Connection 3
Operation 4
Block Diagram 5
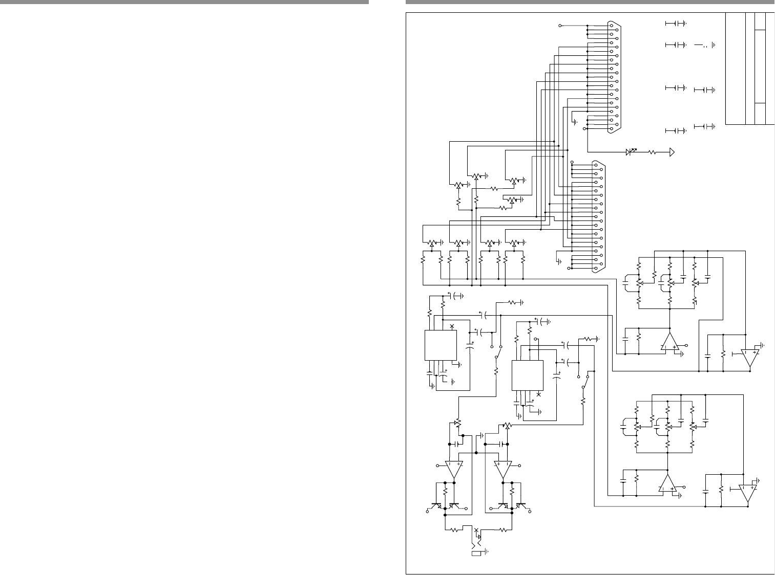
Schematic 6
Warranty Rear Cover
INSPECTION
1. Unpack and inspect the HM58 box and package.
If obvious physical damage is noticed, contact the carrier immediately to make a
damage claim. We suggest saving the shipping carton and packing materials for
safely transporting the unit in the future.
2. Please complete the Warranty Registration Card and return it to the factory.
SPECIFICATIONS
Output Impedance: 10 Ω
Sensitivity: Variable, -10 to +4 dB for rated output
Power Output: >500 mW at 32 Ω
(>150 mW at 600 ohms) 20 Hz to 20 KHz.
Connectors: Outputs: 1/4" TRS stereo headphone jack,
DB25 (25 pin) jack
Distortion: 0.008% THD full power @ 1 KHz;
0.05% THD 20Hz to 20 KHz
Dynamic Range: Greater than 96 dB
Freq. Response: 20 Hz to 20 KHz, +0, -1 dB 400 mW output
Power Requirement
: Receives power from HM60 or HM57
Dimensions: 7.5” W x 3.35” H x 1.625”D
Weight: 1.5 lbs.
1 6
SCHEMATIC
ROLLS CORPORATION
5143 South Main Street
Salt Lake City, UT 84107
15-Oct-1999
Title
Size:
Date:
Rev:
1 of
Rb
R O L L S H E A D P H O N E M O N I T O R S Y S T E M R E M O T E 2
D O C U M E N T N U M B E R
H M 5 8 . S C H
A
VCC
VCC
VDD
VDD
VDD
VCC
VCC
J 1
P H O N E 1 / 4
3
2
1
4
U 1 A
4 5 6 0
Q 1
M P S A 0 6
6
5
7
8
U 1 B
4 5 6 0
1 3
2
P 1 0 A
P 1 0 0 K X 2
46
5
P 1 0 B
P 1 0 0 K X 2
Q 3
2 N 2 9 0 7
Q 2
M P S A 0 6
Q 4
2 N 2 9 0 7
R 1
3 0
R 2
3 0
1
14
2
15
3
16
4
17
5
18
6
19
7
20
8
21
9
22
10
23
11
24
12
25
13
J 3
D B 2 5 f e m a l e
3
4
L M A I N
R M A I N
R R E T L R E T
R 3
1 0
R 4
1 0
P 6
P 1 0 0 K
P 7
P 1 0 0 K
P 8
P 1 0 0 K
P 9
P 1 0 0 K
8
9
1 0
1 1
R 5
2 2 K
R 6
2 2 K
4 6
5
P 2 B
P 1 0 0 K X 2
1 3
2
P 2 A
P 1 0 0 K X 2
4 6
5
P 1 B
P 1 0 0 K X 2
1 3
2
P 1 A
P 1 0 0 K X 2
R 7 2 2 K
R 8 2 2 K
THD
8
DG
3
RIN
2
RC
1
GND
4
INV
5
R3
6
OUT
7
V+
0
U 4 A
N E 5 7 0
2
3
1
4
U 2 A
4 5 6 0
R 1 9
1 8 K
R 2 1 1 0 K
6
5
7
8
U 2 B
4 5 6 0
46
5
P 3 B
46
5
P 4 B
46
5
P 5 B
R 9
2 2 K
R 1 0
2 2 K
R 1 1
2 2 K
R 1 2 2 2 K
R 1 3 2 2 K
R 1 4 2 2 K
R 1 5 2 2 K
R 1 6 2 2 K
R 2 9 3 3 K
R 3 0 3 3 K
C 1
1 0 U
C 2
1 0 U
C 3
1 0 U
C 4
1 0 U
1 2
1 4
1 5
1 6
1 7
1
2
3
S W 1 A
D P D T
THD
9
DG
14
RIN
15
RC
16
GND
0
INV
12
R3
11
OUT
10
V+
13
N E 5 7 0
R 3 1 3 3 K
R 3 2 3 3 K
C 5
1 0 U
C 6
1 0 U
C 7
1 0 U
C 1 0
1 U
1 8
1 9
2 0
4
5
6
S W 1 B
D P D T
VCC
R 3 3
1 0 0 K
R 3 4
1 0 0 K
2
3
1
4
U 3 A
4 5 6 0
R 2 0 1 8 K
R 2 2 1 0 K
6
5
7
8
U 3 B
4 5 6 0
13
2
P 3 A
13
2
P 4 A
13
2
P 5 A
VDD
H D P H N / L O U T
C 1 1
2 7 P F
C 1 2
2 7 P F
C 1 3
2 7 P F
C 1 4
2 7 P F
1 2 0 P F
C 1 8
1 2 0 P F
C 1 5
2 7 P F
C 1 6
2 7 P F
VCC
VCC
C 1 9
. 1
2 1
VDD
C 2 0
. 1
2 2
VCC
C 2 1
. 1
2 3
VDD
C 2 2
. 1
2 4
VCC
C 2 3
. 1
2 5
2 6
C 2 5
. 1
2 7
VCC
R 2 3
1 0 K
R 2 4
1 0 K
R 3 5
4 . 7 K
R 3 6
4 . 7 K
R 3 9
2 . 2 K
R 4 0
2 . 2 K
R 2 5
1 0 K
C 3 1
. 0 2 2
C 3 3
. 0 0 5
3 3
3 4
3 5
3 6
R 2 6
1 0 K
R 2 7
1 0 K
R 3 7
4 . 7 K
R 3 8
4 . 7 K
R 4 1
2 . 2 K
R 4 2
2 . 2 K
R 2 8 1 0 K
C 3 2
. 0 2 2
C 3 4
. 0 0 5
VDD
VDD
C 3 5
. 0 0 5
C 3 6
. 0 0 5
C 3 7
. 0 4 7
C 3 8
. 0 4 7
VCC
1
14
2
15
3
16
4
17
5
18
6
19
7
20
8
21
9
22
10
23
11
24
12
25
13
J 2
VDD
B A S S
M I D D L E
T R E B L E
R 1 7
2 2 K
D 1
L D S R
R 4 3
3 . 3 K
Kommentare zu diesen Handbüchern